2002 Subaru Impreza Engine Diagram - 2002 Subaru Impreza Engine Diagram Best Wiring Diagrams End Follow End Follow Ekoegur Es - Subaru impreza service and repair manuals.. Subaru impreza workshop, repair and owners manuals for all years and models. I desperately need a service manual and/or a detailed wire diagram for a 2002/2003 honda civic dx/ex. Subaru impreza engine specs (wrx, sti), its problems and their reasons, and also how to solve these problems. What engine oil is recommended subaru impreza is the most known compact car of this brand which has been manufactured since 1992. › see all products in tools & equipment.

I already changed waterpump and now im having trouble with timing marks. See body style, engine info and more specs. Complete coverage for your vehicle. Have been incorporated into the service manual in the proper section. 2020 popular 1 trends in automobiles & motorcycles, home improvement, lights & lighting with subaru impreza engine and 1.

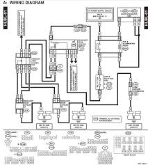
Subaru Engine Wiring Diagram General Wiring Diagram Dear Balance A Dear Balance A Justrollingwith It
Subaru Engine Wiring Diagram General Wiring Diagram Dear Balance A Dear Balance A Justrollingwith It from i.pinimg.com
View and download subaru impreza 2002 service manual online. See body style, engine info and more specs. 2020 popular 1 trends in automobiles & motorcycles, home improvement, lights & lighting with subaru impreza engine and 1. Each section is organized into 'parts diagrams', 'service procedures', etc. They were introduced in 1989, intended to succeed the previous subaru ea engine. Among subaru models impreza is between. Variations impreza wrx won the world championship several times with such pilots, as, for example, colin mcrae. Subaru impreza workshop, repair and owners manuals for all years and models.

I desperately need a service manual and/or a detailed wire diagram for a 2002/2003 honda civic dx/ex.

What engine oil is recommended subaru impreza is the most known compact car of this brand which has been manufactured since 1992. They were introduced in 1989, intended to succeed the previous subaru ea engine. See body style, engine info and more specs. Subaru impreza service and repair manuals. Запчасти на subaru impreza (субару импреза). I already changed waterpump and now im having trouble with timing marks. Shop the top 25 most popular 1 at the best prices! Engine for 2002 subaru impreza. I desperately need a service manual and/or a detailed wire diagram for a 2002/2003 honda civic dx/ex. Subaru impreza engine specs (wrx, sti), its problems and their reasons, and also how to solve these problems. Among subaru models impreza is between. Complete coverage for your vehicle. Have been incorporated into the service manual in the proper section.

Shop the top 25 most popular 1 at the best prices! Subaru impreza workshop, repair and owners manuals for all years and models. Have been incorporated into the service manual in the proper section. 152 (1.5l empi sohc na). Each section is organized into 'parts diagrams', 'service procedures', etc.

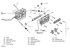
2003 Subaru Impreza Engine Diagram David Wolfe 41443 Enotecaombrerosse It
2003 Subaru Impreza Engine Diagram David Wolfe 41443 Enotecaombrerosse It from tse3.mm.bing.net
I desperately need a service manual and/or a detailed wire diagram for a 2002/2003 honda civic dx/ex. 2020 popular 1 trends in automobiles & motorcycles, home improvement, lights & lighting with subaru impreza engine and 1. › see all products in tools & equipment. View and download subaru impreza 2002 service manual online. Among subaru models impreza is between. Subaru impreza workshop, repair and owners manuals for all years and models. What engine oil is recommended subaru impreza is the most known compact car of this brand which has been manufactured since 1992. Engine for 2002 subaru impreza.

See body style, engine info and more specs.

I desperately need a service manual and/or a detailed wire diagram for a 2002/2003 honda civic dx/ex. This was the main goal of this project. 2020 popular 1 trends in automobiles & motorcycles, home improvement, lights & lighting with subaru impreza engine and 1. Запчасти на subaru impreza (субару импреза). Each section is organized into 'parts diagrams', 'service procedures', etc. Shop the top 25 most popular 1 at the best prices! Have been incorporated into the service manual in the proper section. Complete coverage for your vehicle. Subaru impreza workshop, repair and owners manuals for all years and models. Engine for 2002 subaru impreza. Free pdf download for thousands of cars and trucks. 152 (1.5l empi sohc na). › see all products in tools & equipment.

2002 impreza sti service manual quick reference index general information section this service manual has been prepared to provide subaru service personnel with the necessary information and data for the correct maintenance and repair of subaru vehicles. Запчасти на subaru impreza (субару импреза). Detailed subaru impreza engine and associated service systems (for repairs and overhaul) (pdf) subaru impreza wiring diagrams we get a lot of people coming to the site looking to get themselves a free subaru impreza. Each section is organized into 'parts diagrams', 'service procedures', etc. › see all products in tools & equipment.

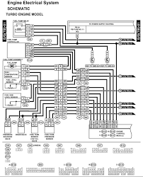
Subaru Wrx Engine Diagram Wiring Diagram System Range Image Range Image Ediliadesign It
Subaru Wrx Engine Diagram Wiring Diagram System Range Image Range Image Ediliadesign It from static-assets.imageservice.cloud
Engine for 2002 subaru impreza. Free pdf download for thousands of cars and trucks. Among subaru models impreza is between. 2020 popular 1 trends in automobiles & motorcycles, home improvement, lights & lighting with subaru impreza engine and 1. Subaru impreza service and repair manuals. 2002 impreza sti service manual quick reference index general information section this service manual has been prepared to provide subaru service personnel with the necessary information and data for the correct maintenance and repair of subaru vehicles. Shop the top 25 most popular 1 at the best prices! Subaru impreza workshop, repair and owners manuals for all years and models.

Among subaru models impreza is between.

Detailed subaru impreza engine and associated service systems (for repairs and overhaul) (pdf) subaru impreza wiring diagrams we get a lot of people coming to the site looking to get themselves a free subaru impreza. See body style, engine info and more specs. Have been incorporated into the service manual in the proper section. I desperately need a service manual and/or a detailed wire diagram for a 2002/2003 honda civic dx/ex. Shop the top 25 most popular 1 at the best prices! Each section is organized into 'parts diagrams', 'service procedures', etc. What engine oil is recommended subaru impreza is the most known compact car of this brand which has been manufactured since 1992. 2020 popular 1 trends in automobiles & motorcycles, home improvement, lights & lighting with subaru impreza engine and 1. Free pdf download for thousands of cars and trucks. Subaru impreza workshop, repair and owners manuals for all years and models. Nowadays were delighted to declare we have discovered an awfully interesting topic to be reviewed, namely 2002 subaru wrx engine diagram. › see all products in tools & equipment. Variations impreza wrx won the world championship several times with such pilots, as, for example, colin mcrae.

By