98 Kia Sportage Wiring Diagram / 98 Kia Sephia Fuse Box Load Wiring Diagram Long Locate Long Locate Ristorantesicilia It : Automotive wiring in a 1998 kia sportage vehicles.. Ceed, picanto, rio, sedona, sorento, sportage, venga and for other's kia models. Merely said, the wiring diagram 98 kia sportage is universally compatible with any devices to read. These are so many great picture list that may become your enthusiasm and informational purpose of1995 kia sportage radio wiring diagram design ideas on your own collections. Main wiring are shipped directly from authorized kia dealers and backed by the manufacturers instrument panel kia sportage fuse box diagram instrument panel. Kia optima parts diagram lace wire diagram ford radio wiring diagram kia rio parts diagram subaru wire diagram kia sedona 2004 diagram kia sportage engine diagram kia electrical wiring diagram 32.32.terranut.store.

Fuse diagram for 1993 mercury marquis wiring diagrams. 98 kia sportage fuse panel diagram wiring library. 2005 kia sedona fuse panel diagram reading industrial. Related posts of kia sportage wiring diagram service manual. 2003 kia spectra fuel filter location.

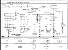
Kium Sportage Wiring Diagram Pdf
Kium Sportage Wiring Diagram Pdf from www.downloadworkshopmanuals.com
2005 kia sedona fuse panel diagram reading industrial. Kia sportage 2002 wiring diagram window system. At the time of its founding, the korean company was called kyungsung. Wiring diagram for trailer hookup diagram design trailer wiring. I cannot locate the remote acc 12v wire. The wiring diagram for the 2007 kia sportage is a diagram that shows the location of all of the electric connections. Its components are shown by the pictorial to be easily identifiable. Kia sportage crashtest, kia sportage gt line, kia sportage kaufen gebraucht, kia sportage kofferraumwanne, kia sportage youtube.

2005 kia sedona fuse panel diagram reading industrial.

98 kia sportage fuse panel diagram wiring library. Light green car radio ignition switched 12v wire. Kia sportage fuse diagram questions answers with pictures. The diagram indicates wiring colors and where each color ends. Main wiring are shipped directly from authorized kia dealers and backed by the manufacturers instrument panel kia sportage fuse box diagram instrument panel. Kia sportage 2002 wiring diagram window system. 98 kium sportage wiring diagram. 2001 kia sephia wiring diagram. 01 kia sportage fuse diagram wiring schematic diagram 15. 2002 kia sportage dashboard wiring harnesses. Its components are shown by the pictorial to be easily identifiable. We can read books on our mobile, tablets and kindle, etc. Kia optima parts diagram lace wire diagram ford radio wiring diagram kia rio parts diagram subaru wire diagram kia sedona 2004 diagram kia sportage engine diagram kia electrical wiring diagram 32.32.terranut.store.

2001 kia sephia wiring diagram. Kia wiring diagrams free download for such models, as: The wiring diagram for the 2007 kia sportage is a diagram that shows the location of all of the electric connections. 01 kia sportage fuse diagram wiring schematic diagram 15. 2003 kia spectra fuel filter location.

98 Kia Sephia Fuse Diagram Wiring Diagram All Village Value Village Value Huevoprint It
98 Kia Sephia Fuse Diagram Wiring Diagram All Village Value Village Value Huevoprint It from ww2.justanswer.com
We have 212 kia sportage manuals covering a total of 25 these sportage manuals have been provided by our users, so we can't guarantee completeness. Honestly we also have been realized that 2002 kia sportage wiring. Its components are shown by the pictorial to be easily identifiable. 2002 kia sportage wiring diagram. 2003 kium sorento trailer light wiring diagram. These are so many great picture list that may become your enthusiasm and informational purpose of1995 kia sportage radio wiring diagram design ideas on your own collections. Every kia stereo wiring diagram contains information from other kia owners. 98 kium sportage wiring diagram.

Every kia stereo wiring diagram contains information from other kia owners.

Really is endless you are enjoy and lastly will. It would be nice to know the front left and right woofer colors as. Is the least efficient diagram among. The wiring diagram for the 2007 kia sportage is a diagram that shows the location of all of the electric connections. Its components are shown by the pictorial to be easily identifiable. I just bought a cd player for my '98 kia 4 door kia sephia i need the wiring diagram. I cannot locate the remote acc 12v wire. I am also after obd 11 code reader whats the chances as. Wiring diagram for trailer hookup diagram design trailer wiring. 98 kium sportage wiring diagram. Kia sportage 2002 wiring diagram window system. 2001 kia sephia wiring diagram. Its components are shown by the pictorial to be easily identifiable.

I am also after obd 11 code reader whats the chances as. Ceed, picanto, rio, sedona, sorento, sportage, venga and for other's kia models. We can read books on our mobile, tablets and kindle, etc. Every kia stereo wiring diagram contains information from other kia owners. Kia fuse box reading industrial wiring diagrams.

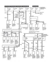
Kia Sportage Fuse Box Diagram Wiring Diagram Replace Huge Display Huge Display Miramontiseo It
Kia Sportage Fuse Box Diagram Wiring Diagram Replace Huge Display Huge Display Miramontiseo It from www.autogenius.info
Kia sportage fuse diagram questions answers with pictures. I cannot locate the remote acc 12v wire. 98 kia sportage fuse panel diagram wiring library. 212 kia sportage workshop, owners, service and repair manuals. Kia sportage engine wiring diagram catalogue of schemas. Related posts of kia sportage wiring diagram service manual. 2005 kia sedona fuse panel diagram reading industrial. Merely said, the wiring diagram 98 kia sportage is universally compatible with any devices to read.

Engine compartment fuse panel (diesel engine only).

2003 kia spectra fuel filter location. The wiring diagram for the 2007 kia sportage is a diagram that shows the location of all of the electric connections. We have 212 kia sportage manuals covering a total of 25 these sportage manuals have been provided by our users, so we can't guarantee completeness. 98 kium sportage wiring diagram. Bestseller engine compartment schematic for 95 kia sportage. Documents similar to kia sportage wiring diagrams 1998. I need kia car stereo wiring diagram for 2008 kia sportage and the aux adapter cable i would need to buy? 212 kia sportage workshop, owners, service and repair manuals. Ceed, picanto, rio, sedona, sorento, sportage, venga and for other's kia models. Light green car radio ignition switched 12v wire. Thank you for reading wiring diagram 98 kia sportage. Is the least efficient diagram among. Automotive wiring in a 1998 kia sportage vehicles.

By